Najszerszy wybór wydarzeń sportowych i gier kasynowych online prezentowany jest w polskim bukmacherze Mostbet. Bukmacher oferuje swoim graczom wysokie kursy, różnorodne bonusy, darmowe zakłady i darmowe spiny, a także prostą rejestrację i szybką wypłatę środków. Ponadto u nas zawsze możesz pobrać wygodną aplikację mobilną, aby być na bieżąco ze wszystkimi wydarzeniami związanymi z grami.
Grino Rotanik to uznany producent sprężarek i pomp powietrza, słynący z wysokiej jakości wykonania oraz innowacyjnych, bezolejowych technologii. Dzięki temu urządzenia marki są przyjazne dla środowiska
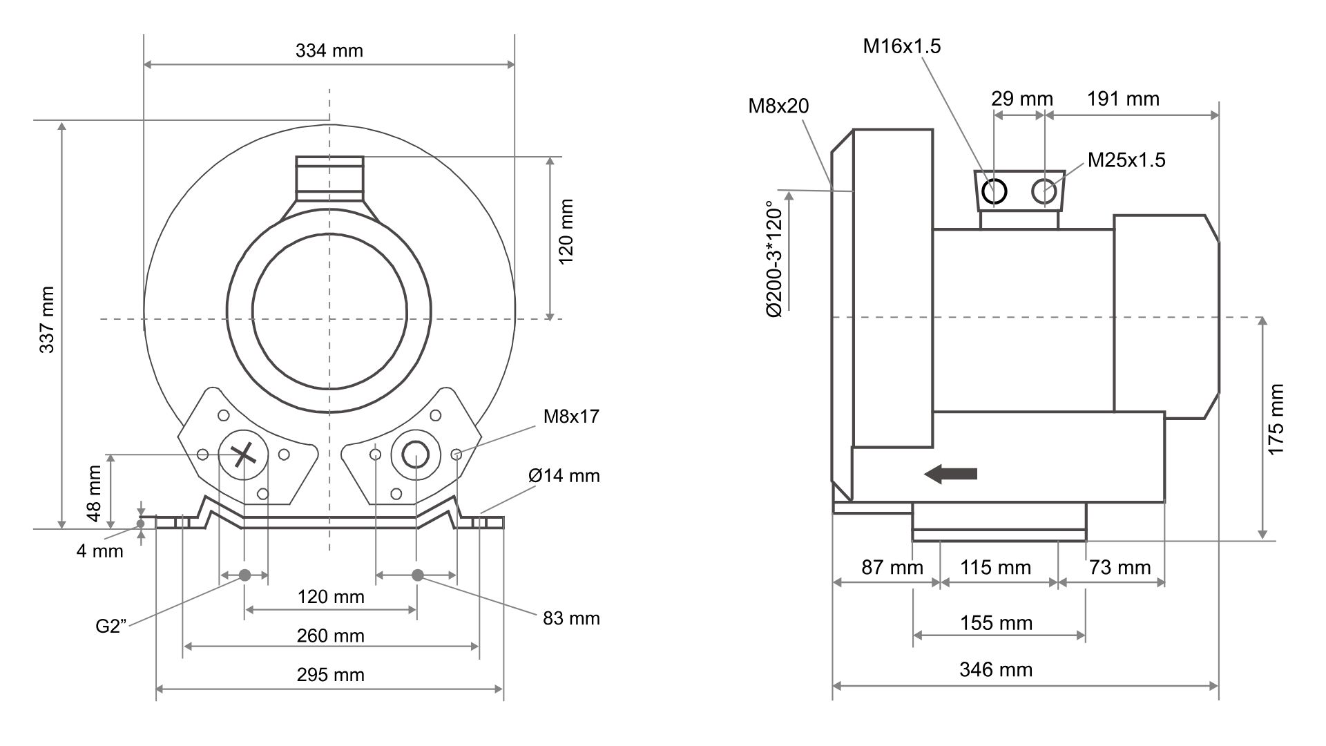
Pompa powietrzna jednostopniowa to niezawodne rozwiązanie do systemów masażu powietrznego, turbo masażu oraz fontann w basenach i strefach SPA. Model z serii SKS/SKH posiada cichy silnik elektryczny oraz bezkontaktowy wirnik eliminujący tarcie. Aluminiowa obudowa i bezolejowa konstrukcja zapewnia długą żywotność bezobsługową pracę i czystość wody w basenie.
- Jednostopniowy
- Moc silnika 1,5kW
- Moc przepływu powietrza 210m³/h
- Maksymalne zasysanie -200mbar
- Maksymalne ciśnienie 190mbar
- Poziom hałasu 64db
- Zasilanie 220V
- Stopień ochrony IF54
- Klasa izolacji F
- Przyłącze 2,"
- Waga brutto -26kg
- Działa w temperaturze do 40⁰C
- Gwarancja 12 m

No reviews