Koszyk
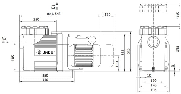
Pompa basenowa BADU PRIME 11 0,45KW...
3 196,77 zł
Typ pompy Badu Prime 7 /230V

